La normalización es un aspecto esencial del dibujo técnico que garantiza que todos los profesionales hablen el mismo idioma cuando se trata de planos y diseños.
Visión General
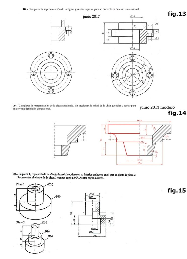
La normalización en dibujo técnico implica seguir normas y estándares que definen cómo deben ser creados y leídos los dibujos técnicos. Estas normas garantizan coherencia y claridad en la interpretación de los planos.
Normas Internacionales
- ISO (Organización Internacional de Normalización): Establece normas para los dibujos técnicos que se utilizan a nivel mundial.
- DIN (Instituto Alemán de Normalización): Influye significativamente en las normas europeas para dibujos técnicos.
Aspectos Clave en Normalización
- Formatos de Papel: Establecen tamaños estándar, como los formatos A4, A3, A2, A1 y A0.
- Escalas: Definen cómo representar objetos de mayor o menor tamaño que el real, como 1:1, 1:2 o 2:1.
- Líneas: Diferentes tipos de líneas representan distintas características, como líneas continuas para contornos visibles y líneas discontinuas para contornos ocultos.
- Cotas: Reglas para dimensionar los dibujos, como las alturas de los números, estilos de flechas y ubicación de las dimensiones.
- Simbología: Símbolos para representar materiales, acabados, y otros elementos en los dibujos.
Importancia en el Bachillerato
- Comprensión Global: La normalización permite que cualquier profesional pueda interpretar el mismo dibujo independientemente de su ubicación.
- Estandarización: Las normas aseguran que todos los dibujos sean consistentes y fáciles de interpretar.
- Eficiencia en el Diseño: Al seguir estándares, los diseños se pueden leer y verificar más rápidamente, reduciendo errores y mejorando la eficiencia.
Dominar los principios de la normalización permitirá crear y comprender dibujos técnicos con precisión y eficiencia, algo fundamental en nuestra disciplina.
VÍDEOS
APUNTES
EJERCICIOS












































EJERCICIOS EN PDF